河北省生态环境厅发布《砖瓦工业大气污染物排放标准(DB 13/ 6185—2025)》

信息来源:河北省生态环境厅    浏览次数:1177   发布时间:2025-09-22

近日,河北省生态环境厅发布《砖瓦工业大气污染物排放标准(DB 13/ 6185—2025)》。

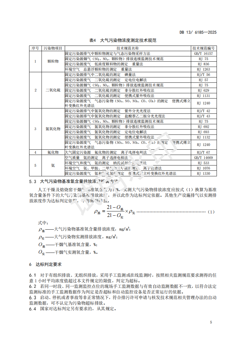
标准指出:砖瓦企业人工干燥及焙烧过程中产生的主要污染物为颗粒物、二氧化硫和氮氧化物。标准规定现有企业颗粒物、二氧化硫、氮氧化物的排放限值分别为10mg/m350mg/m380mg/m3,新建企业氮氧化物排放限值为50mg/m3,现有企业自202811日起氮氧化物排放限值为50mg/m3

标准全文如下: